Rechtswidriges Impressum, die Daten der darin benannten Personen wurden entweder frei erfunden oder gestohlen und werden nun für betrügerische Zwecke missbraucht.
Evtl. kein HR-Eintrag vorhanden, UST-ID eines anderen Unternehmens. Was für eine Firma das auch immer sein soll - sie existiert nirgendwo.
Hier gibt es definitiv keine Ware!
Wie immer gilt: Nichts kaufen! Besser ist das! 
Link zum Fakeshop
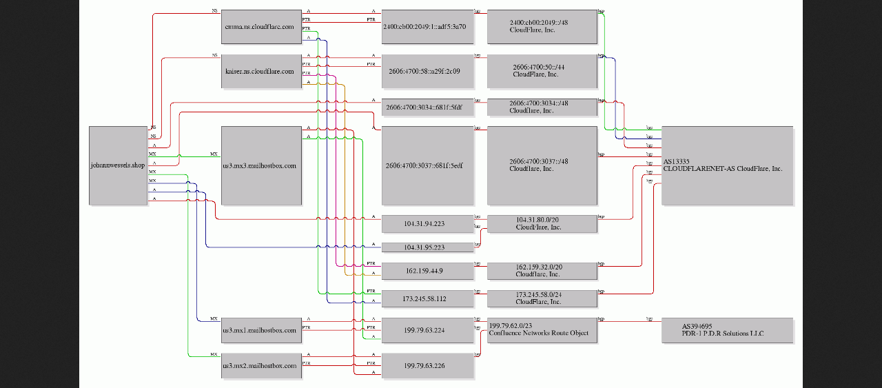
johannwessels.shop
Wichtiger Hinweis: 
Falls Leser dieses Threads eventuell aufgrund einer bereits getätigten Bestellung schon über aktuelle Bankdaten dieser Fakeshops verfügen, werden sie gebeten, sich bei auktionshilfe.info zu registrieren, hier im thread zu melden und unbedingt das Bankkonto, auf das sie überweisen sollten, zu posten.
Kontoinhaber:
Iban:
Bic:
Name der Bank:
KEINEN VERWENDUNGSZWECK ODER RECHNUNGSNUMMER ANGEBEN!
Für alle Käufer gilt folgendes: 
1.) Speichere die Infos zum passenden Fakeshop und diese Warnung ab und drucke sie auch aus.
2.) Falls du noch nicht bezahlt hast, tue das auch weiterhin nicht. Du brauchst also weder irgendwie vom Kauf zurückzutreten
noch bist du in diesem Fall zur Zahlung auf das Konto eines Betrügers verpflichtet. Versuche nicht, per Mail mit dem Täter
Kontakt aufzunehmen. Antworte auch nicht auf Mails des Täters, sondern stell dich ihm gegenüber einfach tot. Irgendwann
demnächst wird der Shop verschwinden.
3.) Falls du erst in den letzten 24 Stunden überwiesen hast, ist evtl. noch etwas (Geld) zu retten. Auch wenn das Geld sofort
bei dir abgebucht wurde, wirklich weg ist es erst, wenn es dem Empfänger gutgeschrieben wurde. Dazwischen können bis zu
24 Stunden liegen, in denen deine Bank das evtl. noch stoppen kann. Daher solltest du sofort zu deiner Bank gehen und bitten,
sie sollen alles versuchen, um die Überweisung noch aufzuhalten BEVOR sie beim Empfänger gutgeschrieben wird. Es zählt jetzt
buchstäblich jede Sekunde!! Deine Bank soll unbedingt sofort bei der Empfängerbank anrufen und außerdem zusätzlich ein FAX dort hinschicken.
Lass dich nicht abweisen, bestehe darauf, dass Deine Bank es wenigstens versucht ! Betone dabei, dass Du nicht von einer
Rückbuchung o.ä. redest, sondern von einer Stornierung einer noch nicht wertgestellten Zahlung, das ist ein Unterschied.
Eine Rückbuchung ist absolut unmöglich, eine Stornierung vor Wertstellung klappt ca. in jedem 3. bis 4. Fall.
4.) Erstatte Anzeige bei der Polizei.
Tipps und Hinweise dazu findest du unter diesem Link: http://archive.fo/eJ60v
Drucke dir unbedingt auch alle Beiträge zu diesen Fakeshops inklusive aller bisher bekannten Bankkonten dieses Täters aus und füge sie deiner Anzeige hinzu.
Die Polizei erkennt dann schneller, dass es sich bei dir nicht um einen Einzelfall handelt, sondern um eine Betrugsserie.
Evtl. kein HR-Eintrag vorhanden, UST-ID eines anderen Unternehmens. Was für eine Firma das auch immer sein soll - sie existiert nirgendwo.
Hier gibt es definitiv keine Ware!
Wie immer gilt: Nichts kaufen! Besser ist das! 
Link zum Fakeshop
johannwessels.shop
Wichtiger Hinweis: 
Falls Leser dieses Threads eventuell aufgrund einer bereits getätigten Bestellung schon über aktuelle Bankdaten dieser Fakeshops verfügen, werden sie gebeten, sich bei auktionshilfe.info zu registrieren, hier im thread zu melden und unbedingt das Bankkonto, auf das sie überweisen sollten, zu posten.
Kontoinhaber:
Iban:
Bic:
Name der Bank:
KEINEN VERWENDUNGSZWECK ODER RECHNUNGSNUMMER ANGEBEN!
Für alle Käufer gilt folgendes: 
1.) Speichere die Infos zum passenden Fakeshop und diese Warnung ab und drucke sie auch aus.
2.) Falls du noch nicht bezahlt hast, tue das auch weiterhin nicht. Du brauchst also weder irgendwie vom Kauf zurückzutreten
noch bist du in diesem Fall zur Zahlung auf das Konto eines Betrügers verpflichtet. Versuche nicht, per Mail mit dem Täter
Kontakt aufzunehmen. Antworte auch nicht auf Mails des Täters, sondern stell dich ihm gegenüber einfach tot. Irgendwann
demnächst wird der Shop verschwinden.
3.) Falls du erst in den letzten 24 Stunden überwiesen hast, ist evtl. noch etwas (Geld) zu retten. Auch wenn das Geld sofort
bei dir abgebucht wurde, wirklich weg ist es erst, wenn es dem Empfänger gutgeschrieben wurde. Dazwischen können bis zu
24 Stunden liegen, in denen deine Bank das evtl. noch stoppen kann. Daher solltest du sofort zu deiner Bank gehen und bitten,
sie sollen alles versuchen, um die Überweisung noch aufzuhalten BEVOR sie beim Empfänger gutgeschrieben wird. Es zählt jetzt
buchstäblich jede Sekunde!! Deine Bank soll unbedingt sofort bei der Empfängerbank anrufen und außerdem zusätzlich ein FAX dort hinschicken.
Lass dich nicht abweisen, bestehe darauf, dass Deine Bank es wenigstens versucht ! Betone dabei, dass Du nicht von einer
Rückbuchung o.ä. redest, sondern von einer Stornierung einer noch nicht wertgestellten Zahlung, das ist ein Unterschied.
Eine Rückbuchung ist absolut unmöglich, eine Stornierung vor Wertstellung klappt ca. in jedem 3. bis 4. Fall.
4.) Erstatte Anzeige bei der Polizei.
Tipps und Hinweise dazu findest du unter diesem Link: http://archive.fo/eJ60v
Drucke dir unbedingt auch alle Beiträge zu diesen Fakeshops inklusive aller bisher bekannten Bankkonten dieses Täters aus und füge sie deiner Anzeige hinzu.
Die Polizei erkennt dann schneller, dass es sich bei dir nicht um einen Einzelfall handelt, sondern um eine Betrugsserie.
